Troubleshooting Guide:
M2 Models
Need help determining your model? Visit our Troubleshooting Guides page for assistance.
IF NOTHING WORKS ON THE BED BASE:
A) Check for power to the base:
Check to see if there is a green light on the transformer, which is the black box attached to the power cord. Our bases should be plugged into a surge protector that is at least 600-700 joules, higher is better, and at most 400V, lower is better.
If the green light is on, please proceed to the next step.
If the green light is not on, please do a hard reset by unplugging your base for 30 minutes and plugging it back in to see if the light comes back on. If the green light still does not come on, please email service@innovasleep.com, or call 877-386-1373.
If you have a split base, please switch the transformers/power cords on the two sides of your base to see if the green light comes back on. If the light is still not on, please do a hard reset following the steps above.
B) Check that all connections are secure:
Make sure that the power cord is securely plugged into the outlet and the transformer.
Confirm the remote and actuators are securely plugged into the head actuator cable port.
If you have a split base and none of the steps above resolve the issue, try swapping your remotes. If the base still does not fully work, please email service@innovasleep.com, or call 877-386-1373.
USING ONE REMOTE TO CONTROL TWO BEDS:
C) Information for Customers with split bases:
If you have a king-sized bed, your base may be composed of two separate Twin XL or Split-Cal King bed bases with two sets of electronics.
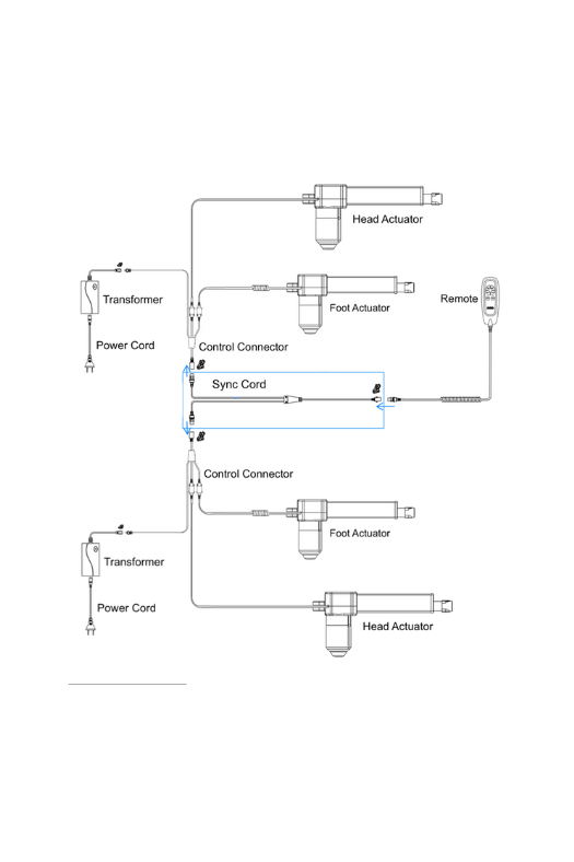
You can use the same remote to control two side-by-side bed bases by connecting the two transformer adapters with the SYNC CORD (see Figures 3 and 5).
To use the same remote to control both bases:
Unplug your remotes from the two head actuators or control connectors, then plug the SYNC CORD ends into where the remotes were plugged in.
Connect one wired remote cable to the female end of the SYNC CORD. Now both bases can be operated by one remote
WHEN TWO BEDS DO NOT ALIGN:
D) On the higher angled bed, use a Phillips head screwdriver to turn the screw of the head actuator counterclockwise 3-5 turns to lower the head angle by 1°. Press the HEAD DOWN button on the remote for 5 seconds, then press the HEAD UP button to raise the head to the highest angle.
If the two beds still do not align, repeat the above steps 2-3 more times until the higher angled bed matches the level of the lower angled bed when the head of both bases are raised to the highest position.
The normal adjustment range is between 58-62°. Turning the screw on the head actuator 3-5 times clockwise will raise the head angle by 1°; turning the screw on the head actuator 3-5 times counterclockwise will lower the head angle by 1°.
***Please feel free to contact us, or email us at service@innovasleep.com, or call us at 877-386-1373 if you have any questions or concerns. If the troubleshooting guide did not resolve the issue with your bed base, please let us know what step the troubleshooting guide did not work for you so that we can diagnose the problem.***
M2 remote diagram
Electronics set up no control connector
*For split bases* Sync cord set up no control connector
Electronics set up with control connector
*For split bases* Sync cord set up with control connector
Getting to know the electronics on your base
-

Remote
Depending on the year your base was made, your remote may look slightly different and could be a different color. The remote plugs directly into either the head motor port or control connector, depending on your model.
-

Transformer
This transformer converts power to the wired remote and head and foot actuators. It should have a solid green light indicating the base is getting power.
-

Power Cord
One side plugs into the outlet on the wall and the other into the transformer.
-

Actuator
These are the motors that raise and lower the head and foot of your adjustable base. Depending on your model, your remote may plug into your actuator cord.
-

Control Connector
Depending on your model type, you may have a control connector that connects your remotes and actuators.
-

Sync Cord
*For split bases* this cord allows you to connect two bases so that they move in unison instead of separately.
-

Electronics Set-Up (no Control Connector)
You can also find this diagram in your base’s manual.
-

Sync cord Set-Up (no Control Connector)
*For split bases* You can also find this diagram in your base’s manual
-

Electronics Set-Up (w/ Control Connector)
You can also find this diagram in your base’s manual .
-

Sync cord Set-Up (no Control Connector)
*For split bases* You can also find this diagram in your base’s manual .
